forum.boolean.name

forum.boolean.name (http://forum.boolean.name/index.php)
-   Железо / Hardware (http://forum.boolean.name/forumdisplay.php?f=154)
-   -   Смотри, Булка, какую хрень St_AnGer творит! (http://forum.boolean.name/showthread.php?t=19419)

St_AnGer 26.10.2014 21:48

Ответ: Смотри, Булка, какую хрень St_AnGer творит!
 
А у меня тут небольшая обновка :) доделал матрицу-лицо :)




и вот как вся матрица выглядит горящей :)


пытался на сколько можно в статике и одном цвете повторить вот это:


в ночи выглядит пипец как ярко и эффектно :) буду сейчас "учить" моргать глазками (выражение с самой первой фотки)


Вот сделал на робота "лицо". Выглядит прикольно по-моему)))


St_AnGer 09.11.2014 21:35

Ответ: Смотри, Булка, какую хрень St_AnGer творит!
 
Добрый вечер, Булка!
Внезапно, мне понадобилась схема питания моего робота. Но не простая, а с возможностью одновременной зарядки аккума и работы электроники робота.
Собственно вопрос - КАК?
Я даже запрос в гугл составить не могу нормальный, везде предлагают схему тупо зарядников, а зарядник у меня есть и он меня устраивает. А сам я даже представить боюсь что там надо напаять (в мозгу какие то монструозные схемы рисуются)

tirarex 09.11.2014 21:45

Ответ: Смотри, Булка, какую хрень St_AnGer творит!
 
Идея одна , разьем какой нибудь мудреный где проходит переключение контакта , а дальше уже диодами.

St_AnGer 09.11.2014 23:13

Ответ: Смотри, Булка, какую хрень St_AnGer творит!
 
Вложений: 1
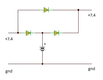
внезапно понял как должен звучать запрос, мне же фактически нужен ибп... И тут же нашлась схемка, вполне себе не мудрёная:

С некоторыми видоизменениями попробую сейчас реализовать (у меня вход не 220 В, а 7.4В уже стабилизрованных).


Кстати, успешно реализовал связь малинки и сервоконтроллера, по этой схеме приведения уровней:

Так что робот уже фактически полностью автономен (за исключением зарядки, ну и программирования, программироваться сам ещё не умеет :-) )


АПД:
Собственно, упростил до необходимого минимума схему ИБП:
Вложение 21138

Диоды пока что поставил 1n5819 (ток максимальный 1А, страшно включать сервы, может случиться ток до 8-10А, и пойдёт дым), других пока нету. Буду искать в подручном хламе более мощные. Но сейчас уже работает, пёс стоит включенный и заряжается вполне успешно (правда напряжение на выходе 8.14В, но это нормально, аккум заряжается ведь)

mr.DIMAS 10.11.2014 20:41

Ответ: Смотри, Булка, какую хрень St_AnGer творит!
 
Ставь диоды шоттки. Например КД2999, у них маленькое падение напряжения в открытом состоянии - около 0,3 вольт против 0,7-0,8 у простого кремния.

Вообще схема какая-то не экономичная, даже простое реле было бы экономичнее.

St_AnGer 11.11.2014 09:53

Ответ: Смотри, Булка, какую хрень St_AnGer творит!
 
Цитата:

Сообщение от mr.DIMAS (Сообщение 289141)
Ставь диоды шоттки. Например КД2999, у них маленькое падение напряжения в открытом состоянии - около 0,3 вольт против 0,7-0,8 у простого кремния.

Вообще схема какая-то не экономичная, даже простое реле было бы экономичнее.

Так 1n5819 и есть диод Шоттки.
В каком смысле схема не экономичная? И какая собственно? )))

mr.DIMAS 11.11.2014 17:20

Ответ: Смотри, Булка, какую хрень St_AnGer творит!
 
Схема зарядки\питания не экономичная. Если у тебя ток до 10 А доходит то падение напряжения даже на диоде шоттки повышается до 0,4-0,6 В. Считаем мощность рассеяния: 10 А * 0,6 В = 6 Вт. А это серьезные потери. Если бы у тебя было поляризованное реле, то можно было бы управлять питанием маленьким током через обмотку этого реле. Схемка тоже простая получается.

St_AnGer 12.11.2014 13:47

Ответ: Смотри, Булка, какую хрень St_AnGer творит!
 
Цитата:

Сообщение от mr.DIMAS (Сообщение 289167)
Схема зарядки\питания не экономичная. Если у тебя ток до 10 А доходит то падение напряжения даже на диоде шоттки повышается до 0,4-0,6 В. Считаем мощность рассеяния: 10 А * 0,6 В = 6 Вт. А это серьезные потери. Если бы у тебя было поляризованное реле, то можно было бы управлять питанием маленьким током через обмотку этого реле. Схемка тоже простая получается.

Можно поподробнее про этот способ? Желательно со схемкой (приблизительной, хоть на коленках нарисованной). Просто у меня сейчас питание идёт через диод в любом случае, а это даже при наличии мощных диодов накладно, потери крутые будут, согласен с тобой (а аккум у меня пока что 1300 mAh, ничтожно малый).

mr.DIMAS 12.11.2014 18:57

Ответ: Смотри, Булка, какую хрень St_AnGer творит!
 
Вложений: 1
Пжлста.

Задача - свести к минимуму потери энергии аккумулятора.

Решение.


Че происходит в этой схеме. Когда у нас нет внешнего питания, на обмотку реле не поступает напряжение, следовательно реле находится в нормально замкнутом положении. В таком виде аккум подрублен напрямую к нагрузке.
Когда мы подрубаем внешний источник питания, напряжение на нагрузку идет через диод D3 - так как внешний источник питания "бесконечный", то потерями на диоде тупо пренебрегаем. В это же время по обмотке реле начинает течь ток, который переводит контакты в левое положение. Через диод D1 и резистор R3 проходит зарядный ток - резистор R3 = Напряжение_внешнее / ( Емкость_аккума_в_Ач * 0.1 ) ( для свинцовых аккумов ). Диод D1 нужен для пропускания тока в направлении только к аккуму, чтобы не дать залипнуть контактам реле при исчезновении внешнего напряжения. Резистор R1 ограничивает максимальный ток через обмотку реле( можно обойтись без него если у реле большое сопротивление обмотки( но низкое ( около 10-12 В ) напряжение срабатывания )))

Реле любое, но вообще желательно с контактами либо из серебра, либо из сплава Pt-Ir( платина-иридий). Дешевые релюхи - контакты медные, подороже посеребреные, еще дороже из серебра. Военного назначения из Pt-Ir сплава. У меня дохера реле с Pt-Ir - штук 15 точно будет - все советские РЭС9 - http://www.elwiki.ru/wiki/osnovnye-p...ogo-toka-res-9. Их плюсы в том что контакты вообще не обгорают - т.е совсем.
Как-то так.

mr.DIMAS 12.11.2014 22:12

Ответ: Смотри, Булка, какую хрень St_AnGer творит!
 
Кстати, если не хочешь заморачиваться с релями, могу накатать схему с полевыми транзисторами. У хороших полевиков( например IRL3705 ) сопротивление канала в открытом состоянии всего 0,01 Ом. Тоесть при токе 10 А на них будет рассеиваться около 1 Вт. Тоже многовато при питании от аккумулятора, но зато можно сделать очень маленьким и легким этот блок.

Randomize 13.11.2014 10:51

Ответ: Смотри, Булка, какую хрень St_AnGer творит!
 
В чём вы такие классные схемы делаете? И есть ли у этого дела рилтайм симулятор?
Давно ищу что-то на подобии http://www.falstad.com/circuit/ только посерьёзнее.

impersonalis 13.11.2014 12:09

Ответ: Смотри, Булка, какую хрень St_AnGer творит!
 
2Randomize
Цитата:

Сообщение от Randomize (Сообщение 289254)
В чём вы такие классные схемы делаете? И есть ли у этого дела рилтайм симулятор?
Давно ищу что-то на подобии http://www.falstad.com/circuit/ только посерьёзнее.

Вот тут mr.DIMAS описал весь софт
http://forum.boolean.name/showthread.php?t=19087

St_AnGer 13.11.2014 17:16

Ответ: Смотри, Булка, какую хрень St_AnGer творит!
 
Цитата:

Сообщение от Randomize (Сообщение 289254)
В чём вы такие классные схемы делаете? И есть ли у этого дела рилтайм симулятор?
Давно ищу что-то на подобии http://www.falstad.com/circuit/ только посерьёзнее.

Собственно что бы никого не переадресовывать, оставлю тут наименование.

Proteus 8.1 (таковым пользуюсь я).
Мощный инструмент, с функциями создания схем, программирования контроллеров, симуляции работы схемы, отладками по портам, просмотра 3d-модели платы, и даже оценки стоимости всей платы.

St_AnGer 30.11.2014 21:46

Ответ: Смотри, Булка, какую хрень St_AnGer творит!
 
Люди! У меня проблема возникла приогромнейшая.
Сидел я значит, никого не трогал, писал на Питоне код для своей собачки, и, в один из моментов тестирования были задействованы все мощные сервоприводы (12 на лапах, 4 на шее), и большинство из них было под серьёзной нагрузкой (например на лапах у серв 12 кг/см, если посчитать по всем рычагам (длинна конечностей) получившимся у меня, то получается в среднем у меня задействовано 2/3 или 3/5 максимальной мощности каждого).
Вообщем, один UBEC (маленький б.п., настроен на 8А при 6В) не выдержал по ходу дела, и выдал полную хрень на питание сервок (скорее всего что то больше, чем 6 вольт), вследствие чего одна сгорела (у моторчика аж счётки обУглились) (опять полтора месяца с китая ждать :''(( ). Логичный вопрос - почему я решил что UBEC прибалдел? Да просто потому что его довольно не маленький радиатор (7х2х1.5 см если параллелепипедом его описать) раскалился градусов до 90-100 (дотронуться было невозможно), заместо обычных 40-50.

Так вот, собственно довольно интересный вопрос (для меня - очень интересный).

Как сделать блок питания, что бы он работал от 6-12 вольт, выдавал 5-6 вольт (опционально, хотя и жОстко 6 вольт тоже пойдёт) и ток 10А (лучше 12-15А, что бы с запасом, т.е. мощность 90 ватт где то) и при этом был довольно компактный по размерам и слабо нагревался?

Гугленье простых схем не дало, да и все найденые требуют довольно много места и больших радиаторов (а места у меня под блок питания где то 7.0х6.0х2.0 см). Самая простая из найденых:

Эта расчитана на 12 вольт и 30 ампер на выходе (12 вольт к счастью можно уменьшить до нужных 5-6 вольт), но требует огромнейшего радиатора, что вполне логично.

В целом, насколько я знаю, это довольно старый вопрос (что бы ничего не грелось и выдавало много тока), может кто то подтолкнёт в какую сторону гуглить? Предполагаю, что блок должен быть импульсным (строил такие б.п., но не более 1.0-1.5А выходного тока).

tirarex 30.11.2014 22:20

Ответ: Смотри, Булка, какую хрень St_AnGer творит!
 
Свой трансформатор мотать ?


Часовой пояс GMT +4, время: 07:41.

vBulletin® Version 3.6.5.
Copyright ©2000 - 2026, Jelsoft Enterprises Ltd.
Перевод: zCarot