 |
| Болтовня Разговоры на любые темы (думайте, о чем пишите) |
28.11.2009, 21:05
|
#1
|
|
Оператор ЭВМ
Регистрация: 09.12.2008
Сообщений: 42
Написано 2 полезных сообщений (для 3 пользователей)
|
Чертежи для микросхем
Привет всем)
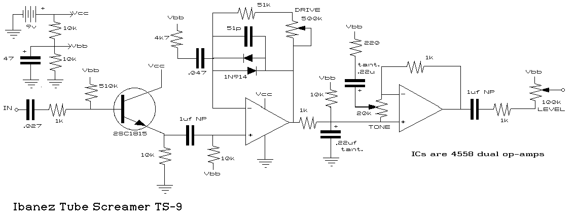
Я вот тут решил для своей гитару попробывать сам сделать какуюнить примочку, паяльник в руках держать умею. Начитался я как все это дело делать, нашел себе схемку ибанезовского тубскримера, говорят он самый простенький, нагляделся всяких видюшек, вообщем все все нашел, но единственное что ненашел, как по схеме сделать чертеж, чтобы его на текстолит наносить(
Может подскажете, ребята? Есть тут какойнить радиолюбитель.. и не только?)
может я не так выразился, но вот схема
есть гденибудь инфа как по таким схемам делать чертеж?
пс я не прошу зделать за меня чертеж =) это просто для внесения ясности
спасибо)
__________________
Gameplay First
|
|
(Offline)
|
|
28.11.2009, 21:22
|
#2
|
|
Модератор
Регистрация: 03.04.2007
Сообщений: 2,252
Написано 597 полезных сообщений (для 817 пользователей)
|
Ответ: Чертежи для микросхем
Для начала нужно знать форму и цоколевку всех деталей. В данной схеме можно попробовать расположить детали на плате примерно так же, как они расположены на схеме, хотя возможно, есть и болле рациональный вариант. Далее нужно отметить положения всех выводов деталей на чертеже, а затем, собственно, проводить линии проводников. Возможно, где-то придется соединять проводники перемычками (там, где на схеме проводники пересекаются но не соединены).
В общем, конкретного рецепта тут нет, это, можно сказать, искусство, и в то же время наука. Советую для начала попробовать на чем-то более простом.
Если есть лазерный принтер - лучше чертить в какой-нибуь программе (типа Sprint Layout), чтобы потом распечатать и делать плату по технологии "лазерного утюга".
|
|
(Offline)
|
|
28.11.2009, 21:26
|
#3
|
|
Оператор ЭВМ
Регистрация: 09.12.2008
Сообщений: 42
Написано 2 полезных сообщений (для 3 пользователей)
|
Ответ: Чертежи для микросхем
Тобишь надо идти на радиорынок, брать детали какие надо а там уже смотреть что да как, я правильно понял?
__________________
Gameplay First
|
|
(Offline)
|
|
28.11.2009, 21:58
|
#4
|
|
Модератор
Регистрация: 03.04.2007
Сообщений: 2,252
Написано 597 полезных сообщений (для 817 пользователей)
|
Ответ: Чертежи для микросхем
Сообщение от Chakki
Тобишь надо идти на радиорынок, брать детали какие надо а там уже смотреть что да как, я правильно понял?
|
Можно попробовать найти информацию по деталям в интернете, но не зная размеров деталей и расположения выводов плату не разработать.
|
|
(Offline)
|
|
28.11.2009, 22:11
|
#5
|
|
Администратор
Регистрация: 03.09.2005
Сообщений: 2,408
Написано 301 полезных сообщений (для 996 пользователей)
|
Ответ: Чертежи для микросхем
сорри, я наверное слишком старомоден, но маркировки у деталей странные... реально такие вообще в России купить?... я както привык к КТ-315 и прочим...
мне бы не доставало:
маркировки транзистора, ну или хотя-бы параметров для подборки аналогов
Мощности резисторов
Вольтажа конденсаторов
Что за микросхема используется
По теме... лучше все это загрузить в специальный софт... таковой есть, строит схемы монтажных плат, да и предварительную проверку там провести можно...
ЗЫ сорри, если что не так, я уже наверное лет как 10 всем этим не занимался...
__________________
Как минимум я помог многим (с)
|
|
(Offline)
|
|
28.11.2009, 22:12
|
#6
|
|
|
Ответ: Чертежи для микросхем
Chakki
собери сначала всё на монтажной плате (это кусок текстолита с кучей дырок), а потом уже можешь свои платы печатать
|
|
|
|
|
Сообщение было полезно следующим пользователям:
|
|
29.11.2009, 14:33
|
#7
|
|
Знающий
Регистрация: 26.07.2009
Адрес: Россия, Москва
Сообщений: 318
Написано 103 полезных сообщений (для 331 пользователей)
|
Ответ: Чертежи для микросхем
Кстати да, я бы тоже все собрал на монтажной плате. Только не сначала, а вообще (то есть так бы и оставил) -))
2SubZerO: Либо автор поменял уже картинку схемы, либо что-то еще, но я прекрасно на ней вижу маркировку всех деталей, включая транзистор и микросхемы. Насчет обвязки тоже все должно быть не сложно - берем даташит на микросхему и, я более чем уверен, встречаем в нем очень похожую схему типового использования микросхем(ы). Там же все напряжения и мощьности деталей обвязки.
ИМХО.
|
|
(Offline)
|
|
29.11.2009, 15:44
|
#8
|
|
Элита
Регистрация: 02.10.2005
Сообщений: 1,789
Написано 132 полезных сообщений (для 252 пользователей)
|
Ответ: Чертежи для микросхем
На схеме приведены зарубежные модели транзисторов.
Софт по теме:
Circuit Maker
Electronic WorkBench (нынче Multisim)
P-CAD
В них можно проектировать и печатные платы.
На всякий случай приложил книгу, где можно найти соответствие отечественным зарубежных транзисторов.
|
|
(Offline)
|
|
29.11.2009, 19:49
|
#9
|
|
Гигант индустрии
Регистрация: 14.12.2005
Сообщений: 2,785
Написано 1,183 полезных сообщений (для 4,437 пользователей)
|
Ответ: Чертежи для микросхем
Сначала отбираешь все детали
Потом берешь листок бумаги прикладываешь к нему детали и рисуешь точки выводов кружочками - это будущие дырочки
Начинать следует с микросхем, и постепенно наполнять обвязкой.
Далее соединяешь кружочки(выводы) с другими кружочками(выводами) смотря на схему.
Возможно придется несколько раз переделывать, пока придет опыт (через недельку будешь рисовать левой ногой не смотря даже на детали )
Далее - переносим на текстолит.
если нет лазерного принтера, делаем по старинке.
прикрепляем листок с разводкой к текстолиту (заранее любовно выпиленным по размеру), можно скрепками.
Берем керн (или стальной дюпель), ставим на кружочки, и легкими ударами накерниваем будущие отверстия.
Потом сверлим тонким сверлом (0.8 - 1 мм). Сразу запасись сверлами - сломаешь пару тройку наверняка. сверлить удобно мини-дрелью
Далее обрабатываешь текстолит нулеыкой до зеркального блеска.
Теперь самое сложное - нанесение рисунка.
я это делал стеклянной трубочкой диаметром 2 мм.
Трубочку нагреваешь на газе посередине и вытягиваешь пока не растянется на 2 половины.
кончики обламываешь и затачиваешь перпендикулярно нулевкой.
Получаются стеклянные рейсфедеры (продаются готовые)
Далее, краска. Лучше всего пентафталевая на 647 (648) растворителе.
Разводишь краску до густоты жидкой сметаны набираешь в трубочку (осторожно всасывая), вытираешь кончик тряпочкой.
Протираешь текстолит растворителем (обезжиривание)
Держа перпендикулярно текстолиту начинаешь рисовать.
Правильно настроенный рейсфедер дает 1-1.5 мм ровную линию без вздутостей и подтеков.
Сначала обрисовываешь отверстия кольцом, потом ведешь к следующему отверстию и обрисовываешь его
Избегая разветвлений без отверстия в узле.
Потом высушиваешь, травишь (хлорное железо), смываешь краску растворителем.
Паять оч хорошо жидким флюсом (спирт+канифоль)
__________________
|
|
(Offline)
|
|
|
Сообщение было полезно следующим пользователям:
|
|
30.11.2009, 00:49
|
#10
|
|
Элита
Регистрация: 14.06.2008
Адрес: Украина, Киев
Сообщений: 2,273
Написано 754 полезных сообщений (для 1,833 пользователей)
|
Ответ: Чертежи для микросхем
А я ваще от нефиг делать материным лаком для ногтей и кисточкой от этого же лака рисовал  Ничего крупного и сложного не делал. Но небольших плат штук 5 за всю свою жизнь сделал.
|
|
(Offline)
|
|
|
Эти 2 пользователя(ей) сказали Спасибо Phantom за это полезное сообщение:
|
|
Ваши права в разделе
|
Вы не можете создавать темы
Вы не можете отвечать на сообщения
Вы не можете прикреплять файлы
Вы не можете редактировать сообщения
HTML код Выкл.
|
|
|
Часовой пояс GMT +4, время: 20:29.
|