 |
| Железо / Hardware Вопросы про аппаратное обеспечение |
26.10.2014, 21:48
|
#31
|
|
Элита
Регистрация: 21.01.2010
Адрес: Россия, Рязанская область, г.Михайлов
Сообщений: 2,067
Написано 1,185 полезных сообщений (для 2,828 пользователей)
|
Ответ: Смотри, Булка, какую хрень St_AnGer творит!
__________________
Main PC:
Intel Core i5 4260U 1.44 GHz + LPDDR3 1x4096 1600 MHz + Intel HD Graphics 5000.
Asus Ёжик T101-MT:
Intel Atom N-570 1.66 Ghz + DDR2 2x1024 800 Mhz + Intel GMA 3150 128 Mb DDR2
Скачать Doom 2D: Remake v0.3.8a
Последний раз редактировалось St_AnGer, 27.10.2014 в 00:16.
|
|
(Offline)
|
|
|
Эти 14 пользователя(ей) сказали Спасибо St_AnGer за это полезное сообщение:
|
Артем Валерьевич (09.01.2015), Arton (27.10.2014), FireOwl (28.10.2014), Igor (27.10.2014), impersonalis (09.11.2014), LLI.T.A.L.K.E.R. (27.10.2014), mauNgerS (27.10.2014), mr.DIMAS (10.11.2014), Nex (26.10.2014), pax (09.11.2014), Randomize (10.11.2014), SBJoker (10.11.2014), tirarex (26.10.2014), tormoz (11.11.2014)
|
09.11.2014, 21:35
|
#32
|
|
Элита
Регистрация: 21.01.2010
Адрес: Россия, Рязанская область, г.Михайлов
Сообщений: 2,067
Написано 1,185 полезных сообщений (для 2,828 пользователей)
|
Ответ: Смотри, Булка, какую хрень St_AnGer творит!
Добрый вечер, Булка!
Внезапно, мне понадобилась схема питания моего робота. Но не простая, а с возможностью одновременной зарядки аккума и работы электроники робота.
Собственно вопрос - КАК?
Я даже запрос в гугл составить не могу нормальный, везде предлагают схему тупо зарядников, а зарядник у меня есть и он меня устраивает. А сам я даже представить боюсь что там надо напаять (в мозгу какие то монструозные схемы рисуются)
__________________
Main PC:
Intel Core i5 4260U 1.44 GHz + LPDDR3 1x4096 1600 MHz + Intel HD Graphics 5000.
Asus Ёжик T101-MT:
Intel Atom N-570 1.66 Ghz + DDR2 2x1024 800 Mhz + Intel GMA 3150 128 Mb DDR2
Скачать Doom 2D: Remake v0.3.8a
|
|
(Offline)
|
|
09.11.2014, 21:45
|
#33
|
|
Бывалый
Регистрация: 23.11.2011
Сообщений: 863
Написано 334 полезных сообщений (для 866 пользователей)
|
Ответ: Смотри, Булка, какую хрень St_AnGer творит!
Идея одна , разьем какой нибудь мудреный где проходит переключение контакта , а дальше уже диодами.
Последний раз редактировалось tirarex, 09.11.2014 в 23:10.
|
|
(Offline)
|
|
|
Сообщение было полезно следующим пользователям:
|
|
09.11.2014, 23:13
|
#34
|
|
Элита
Регистрация: 21.01.2010
Адрес: Россия, Рязанская область, г.Михайлов
Сообщений: 2,067
Написано 1,185 полезных сообщений (для 2,828 пользователей)
|
Ответ: Смотри, Булка, какую хрень St_AnGer творит!
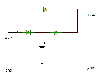
внезапно понял как должен звучать запрос, мне же фактически нужен ибп... И тут же нашлась схемка, вполне себе не мудрёная:

С некоторыми видоизменениями попробую сейчас реализовать (у меня вход не 220 В, а 7.4В уже стабилизрованных).
Кстати, успешно реализовал связь малинки и сервоконтроллера, по этой схеме приведения уровней:

Так что робот уже фактически полностью автономен (за исключением зарядки, ну и программирования, программироваться сам ещё не умеет  )
АПД:
Собственно, упростил до необходимого минимума схему ИБП:
Диоды пока что поставил 1n5819 (ток максимальный 1А, страшно включать сервы, может случиться ток до 8-10А, и пойдёт дым), других пока нету. Буду искать в подручном хламе более мощные. Но сейчас уже работает, пёс стоит включенный и заряжается вполне успешно (правда напряжение на выходе 8.14В, но это нормально, аккум заряжается ведь)
__________________
Main PC:
Intel Core i5 4260U 1.44 GHz + LPDDR3 1x4096 1600 MHz + Intel HD Graphics 5000.
Asus Ёжик T101-MT:
Intel Atom N-570 1.66 Ghz + DDR2 2x1024 800 Mhz + Intel GMA 3150 128 Mb DDR2
Скачать Doom 2D: Remake v0.3.8a
Последний раз редактировалось St_AnGer, 10.11.2014 в 01:37.
|
|
(Offline)
|
|
|
Эти 4 пользователя(ей) сказали Спасибо St_AnGer за это полезное сообщение:
|
|
10.11.2014, 20:41
|
#35
|
|
Дэвелопер
Регистрация: 26.12.2006
Адрес: Санкт-Петербург
Сообщений: 1,572
Написано 547 полезных сообщений (для 1,540 пользователей)
|
Ответ: Смотри, Булка, какую хрень St_AnGer творит!
Ставь диоды шоттки. Например КД2999, у них маленькое падение напряжения в открытом состоянии - около 0,3 вольт против 0,7-0,8 у простого кремния.
Вообще схема какая-то не экономичная, даже простое реле было бы экономичнее.
__________________
|
|
(Offline)
|
|
|
Эти 2 пользователя(ей) сказали Спасибо mr.DIMAS за это полезное сообщение:
|
|
11.11.2014, 09:53
|
#36
|
|
Элита
Регистрация: 21.01.2010
Адрес: Россия, Рязанская область, г.Михайлов
Сообщений: 2,067
Написано 1,185 полезных сообщений (для 2,828 пользователей)
|
Ответ: Смотри, Булка, какую хрень St_AnGer творит!
Сообщение от mr.DIMAS
Ставь диоды шоттки. Например КД2999, у них маленькое падение напряжения в открытом состоянии - около 0,3 вольт против 0,7-0,8 у простого кремния.
Вообще схема какая-то не экономичная, даже простое реле было бы экономичнее.
|
Так 1n5819 и есть диод Шоттки.
В каком смысле схема не экономичная? И какая собственно? )))
__________________
Main PC:
Intel Core i5 4260U 1.44 GHz + LPDDR3 1x4096 1600 MHz + Intel HD Graphics 5000.
Asus Ёжик T101-MT:
Intel Atom N-570 1.66 Ghz + DDR2 2x1024 800 Mhz + Intel GMA 3150 128 Mb DDR2
Скачать Doom 2D: Remake v0.3.8a
|
|
(Offline)
|
|
11.11.2014, 17:20
|
#37
|
|
Дэвелопер
Регистрация: 26.12.2006
Адрес: Санкт-Петербург
Сообщений: 1,572
Написано 547 полезных сообщений (для 1,540 пользователей)
|
Ответ: Смотри, Булка, какую хрень St_AnGer творит!
Схема зарядки\питания не экономичная. Если у тебя ток до 10 А доходит то падение напряжения даже на диоде шоттки повышается до 0,4-0,6 В. Считаем мощность рассеяния: 10 А * 0,6 В = 6 Вт. А это серьезные потери. Если бы у тебя было поляризованное реле, то можно было бы управлять питанием маленьким током через обмотку этого реле. Схемка тоже простая получается.
__________________
|
|
(Offline)
|
|
|
Эти 2 пользователя(ей) сказали Спасибо mr.DIMAS за это полезное сообщение:
|
|
12.11.2014, 13:47
|
#38
|
|
Элита
Регистрация: 21.01.2010
Адрес: Россия, Рязанская область, г.Михайлов
Сообщений: 2,067
Написано 1,185 полезных сообщений (для 2,828 пользователей)
|
Ответ: Смотри, Булка, какую хрень St_AnGer творит!
Сообщение от mr.DIMAS
Схема зарядки\питания не экономичная. Если у тебя ток до 10 А доходит то падение напряжения даже на диоде шоттки повышается до 0,4-0,6 В. Считаем мощность рассеяния: 10 А * 0,6 В = 6 Вт. А это серьезные потери. Если бы у тебя было поляризованное реле, то можно было бы управлять питанием маленьким током через обмотку этого реле. Схемка тоже простая получается.
|
Можно поподробнее про этот способ? Желательно со схемкой (приблизительной, хоть на коленках нарисованной). Просто у меня сейчас питание идёт через диод в любом случае, а это даже при наличии мощных диодов накладно, потери крутые будут, согласен с тобой (а аккум у меня пока что 1300 mAh, ничтожно малый).
__________________
Main PC:
Intel Core i5 4260U 1.44 GHz + LPDDR3 1x4096 1600 MHz + Intel HD Graphics 5000.
Asus Ёжик T101-MT:
Intel Atom N-570 1.66 Ghz + DDR2 2x1024 800 Mhz + Intel GMA 3150 128 Mb DDR2
Скачать Doom 2D: Remake v0.3.8a
|
|
(Offline)
|
|
12.11.2014, 18:57
|
#39
|
|
Дэвелопер
Регистрация: 26.12.2006
Адрес: Санкт-Петербург
Сообщений: 1,572
Написано 547 полезных сообщений (для 1,540 пользователей)
|
Ответ: Смотри, Булка, какую хрень St_AnGer творит!
Пжлста.
Задача - свести к минимуму потери энергии аккумулятора.
Решение.
Че происходит в этой схеме. Когда у нас нет внешнего питания, на обмотку реле не поступает напряжение, следовательно реле находится в нормально замкнутом положении. В таком виде аккум подрублен напрямую к нагрузке.
Когда мы подрубаем внешний источник питания, напряжение на нагрузку идет через диод D3 - так как внешний источник питания "бесконечный", то потерями на диоде тупо пренебрегаем. В это же время по обмотке реле начинает течь ток, который переводит контакты в левое положение. Через диод D1 и резистор R3 проходит зарядный ток - резистор R3 = Напряжение_внешнее / ( Емкость_аккума_в_Ач * 0.1 ) ( для свинцовых аккумов ). Диод D1 нужен для пропускания тока в направлении только к аккуму, чтобы не дать залипнуть контактам реле при исчезновении внешнего напряжения. Резистор R1 ограничивает максимальный ток через обмотку реле( можно обойтись без него если у реле большое сопротивление обмотки( но низкое ( около 10-12 В ) напряжение срабатывания )))
Реле любое, но вообще желательно с контактами либо из серебра, либо из сплава Pt-Ir( платина-иридий). Дешевые релюхи - контакты медные, подороже посеребреные, еще дороже из серебра. Военного назначения из Pt-Ir сплава. У меня дохера реле с Pt-Ir - штук 15 точно будет - все советские РЭС9 - http://www.elwiki.ru/wiki/osnovnye-p...ogo-toka-res-9. Их плюсы в том что контакты вообще не обгорают - т.е совсем.
Как-то так.
__________________
|
|
(Offline)
|
|
|
Эти 4 пользователя(ей) сказали Спасибо mr.DIMAS за это полезное сообщение:
|
|
12.11.2014, 22:12
|
#40
|
|
Дэвелопер
Регистрация: 26.12.2006
Адрес: Санкт-Петербург
Сообщений: 1,572
Написано 547 полезных сообщений (для 1,540 пользователей)
|
Ответ: Смотри, Булка, какую хрень St_AnGer творит!
Кстати, если не хочешь заморачиваться с релями, могу накатать схему с полевыми транзисторами. У хороших полевиков( например IRL3705 ) сопротивление канала в открытом состоянии всего 0,01 Ом. Тоесть при токе 10 А на них будет рассеиваться около 1 Вт. Тоже многовато при питании от аккумулятора, но зато можно сделать очень маленьким и легким этот блок.
__________________
|
|
(Offline)
|
|
|
Сообщение было полезно следующим пользователям:
|
|
13.11.2014, 10:51
|
#41
|
|
[object Object]
Регистрация: 01.08.2008
Адрес: В России
Сообщений: 4,374
Написано 2,478 полезных сообщений (для 6,866 пользователей)
|
Ответ: Смотри, Булка, какую хрень St_AnGer творит!
В чём вы такие классные схемы делаете? И есть ли у этого дела рилтайм симулятор?
Давно ищу что-то на подобии http://www.falstad.com/circuit/ только посерьёзнее.
__________________
Retry, Abort, Ignore? █
Intel Core i7-9700 4.70 Ghz; 64Gb; Nvidia RTX 4090 3070
AMD Ryzen 7 3800X 4.3Ghz; 64Gb; Nvidia 1070Ti
AMD Ryzen 7 1700X 3.4Ghz; 8Gb; AMD RX 570
AMD Athlon II 2.6Ghz; 8Gb; Nvidia GTX 750 Ti
|
|
(Offline)
|
|
13.11.2014, 12:09
|
#42
|
|
Зануда с интернетом
Регистрация: 04.09.2005
Сообщений: 14,014
Написано 6,798 полезных сообщений (для 20,935 пользователей)
|
Ответ: Смотри, Булка, какую хрень St_AnGer творит!
__________________
http://nabatchikov.com
Мир нужно делать лучше и чище. Иначе, зачем мы живем? tormoz
А я растила сына на преданьях
о принцах, троллях, потайных свиданьях,
погонях, похищениях невест.
Да кто же знал, что сказка душу съест?
|
|
(Offline)
|
|
|
Сообщение было полезно следующим пользователям:
|
|
13.11.2014, 17:16
|
#43
|
|
Элита
Регистрация: 21.01.2010
Адрес: Россия, Рязанская область, г.Михайлов
Сообщений: 2,067
Написано 1,185 полезных сообщений (для 2,828 пользователей)
|
Ответ: Смотри, Булка, какую хрень St_AnGer творит!
Сообщение от Randomize
В чём вы такие классные схемы делаете? И есть ли у этого дела рилтайм симулятор?
Давно ищу что-то на подобии http://www.falstad.com/circuit/ только посерьёзнее.
|
Собственно что бы никого не переадресовывать, оставлю тут наименование.
Proteus 8.1 (таковым пользуюсь я).
Мощный инструмент, с функциями создания схем, программирования контроллеров, симуляции работы схемы, отладками по портам, просмотра 3d-модели платы, и даже оценки стоимости всей платы.
__________________
Main PC:
Intel Core i5 4260U 1.44 GHz + LPDDR3 1x4096 1600 MHz + Intel HD Graphics 5000.
Asus Ёжик T101-MT:
Intel Atom N-570 1.66 Ghz + DDR2 2x1024 800 Mhz + Intel GMA 3150 128 Mb DDR2
Скачать Doom 2D: Remake v0.3.8a
|
|
(Offline)
|
|
30.11.2014, 21:46
|
#44
|
|
Элита
Регистрация: 21.01.2010
Адрес: Россия, Рязанская область, г.Михайлов
Сообщений: 2,067
Написано 1,185 полезных сообщений (для 2,828 пользователей)
|
Ответ: Смотри, Булка, какую хрень St_AnGer творит!
Люди! У меня проблема возникла приогромнейшая.
Сидел я значит, никого не трогал, писал на Питоне код для своей собачки, и, в один из моментов тестирования были задействованы все мощные сервоприводы (12 на лапах, 4 на шее), и большинство из них было под серьёзной нагрузкой (например на лапах у серв 12 кг/см, если посчитать по всем рычагам (длинна конечностей) получившимся у меня, то получается в среднем у меня задействовано 2/3 или 3/5 максимальной мощности каждого).
Вообщем, один UBEC (маленький б.п., настроен на 8А при 6В) не выдержал по ходу дела, и выдал полную хрень на питание сервок (скорее всего что то больше, чем 6 вольт), вследствие чего одна сгорела (у моторчика аж счётки обУглились) (опять полтора месяца с китая ждать  ). Логичный вопрос - почему я решил что UBEC прибалдел? Да просто потому что его довольно не маленький радиатор (7х2х1.5 см если параллелепипедом его описать) раскалился градусов до 90-100 (дотронуться было невозможно), заместо обычных 40-50.
Так вот, собственно довольно интересный вопрос (для меня - очень интересный).
Как сделать блок питания, что бы он работал от 6-12 вольт, выдавал 5-6 вольт (опционально, хотя и жОстко 6 вольт тоже пойдёт) и ток 10А (лучше 12-15А, что бы с запасом, т.е. мощность 90 ватт где то) и при этом был довольно компактный по размерам и слабо нагревался?
Гугленье простых схем не дало, да и все найденые требуют довольно много места и больших радиаторов (а места у меня под блок питания где то 7.0х6.0х2.0 см). Самая простая из найденых:

Эта расчитана на 12 вольт и 30 ампер на выходе (12 вольт к счастью можно уменьшить до нужных 5-6 вольт), но требует огромнейшего радиатора, что вполне логично.
В целом, насколько я знаю, это довольно старый вопрос (что бы ничего не грелось и выдавало много тока), может кто то подтолкнёт в какую сторону гуглить? Предполагаю, что блок должен быть импульсным (строил такие б.п., но не более 1.0-1.5А выходного тока).
__________________
Main PC:
Intel Core i5 4260U 1.44 GHz + LPDDR3 1x4096 1600 MHz + Intel HD Graphics 5000.
Asus Ёжик T101-MT:
Intel Atom N-570 1.66 Ghz + DDR2 2x1024 800 Mhz + Intel GMA 3150 128 Mb DDR2
Скачать Doom 2D: Remake v0.3.8a
|
|
(Offline)
|
|
30.11.2014, 22:20
|
#45
|
|
Бывалый
Регистрация: 23.11.2011
Сообщений: 863
Написано 334 полезных сообщений (для 866 пользователей)
|
Ответ: Смотри, Булка, какую хрень St_AnGer творит!
Свой трансформатор мотать ?
|
|
(Offline)
|
|
Ваши права в разделе
|
Вы не можете создавать темы
Вы не можете отвечать на сообщения
Вы не можете прикреплять файлы
Вы не можете редактировать сообщения
HTML код Выкл.
|
|
|
Часовой пояс GMT +4, время: 22:33.
|